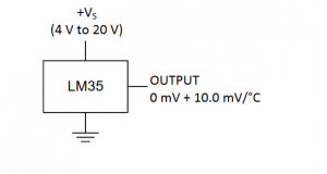
Celem spotkania jest przekazanie praktycznych umiejętności w zakresie wykorzystania sensorów analogowych. Spotkanie rozpocznie się od części teoretycznej omawiającej sposób zasilania czujnika LM35 oraz jego wyjścia pomiarowego. Z uwagi, na fakt, iż czujnik nie mierzy bezpośrednio temperatury omówione zostaną aspekty skalowania jego wskazań. Cześć praktyczna obejmować będzie podłączenie czujnika, oraz zmierzenie wartości napięcia na nóżce pomiarowej sensora W ramach eksperymentów poszczególne czujniki będą podgrzewane, a uczestnicy zaobserwują wpływ zmian warunków środowiskowych na pracę czujników. Zajęcie mają formę zajęć warsztatowych, gdzie uczestnicy w grupach dokonywać będą pomiarów. Na zajęciach wykorzystywane będą źródła napięcia 5V tj. napięcia bezpiecznego.






















